【導讀】在電源設計上我們用得多的場合是,從一個穩(wěn)定的“高”電壓得到一個穩(wěn)定的“低”電壓。這也就是經常說的DC/DC,其中用得多的電源穩(wěn)壓芯片有兩種,一種叫LDO(低壓差線性穩(wěn)壓器,我們后面說的線性穩(wěn)壓電源,也是指它),另一種叫PWM(脈寬調制開關電源,我們在本文也稱它開關電源)。我們常常聽到PWM的效率高,但是LDO的響應快,這是為什么呢?別著急,先讓我們看看它們的原理。
電源是整個電路板中重要的一塊了,電源不穩(wěn)定,其他啥都別談。
在電源設計上我們用得多的場合是,從一個穩(wěn)定的“高”電壓得到一個穩(wěn)定的“低”電壓。這也就是經常說的DC/DC,其中用得多的電源穩(wěn)壓芯片有兩種,一種叫LDO(低壓差線性穩(wěn)壓器,我們后面說的線性穩(wěn)壓電源,也是指它),另一種叫PWM(脈寬調制開關電源,我們在本文也稱它開關電源)。我們常常聽到PWM的效率高,但是LDO的響應快,這是為什么呢?別著急,先讓我們看看它們的原理。
下面會涉及一些理論知識,但是依然非常淺顯易懂,如果你不懂,嘿嘿,得檢查一下自己的基礎了。
1、線性穩(wěn)壓電源的工作原理
2、開關電源的工作原理
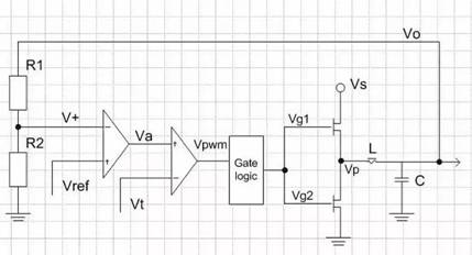
如上圖,為了從高電壓Vs得到Vo,開關電源采用了用一定占空比的方波Vg1,Vg2推動上下MOS管,Vg1和Vg2是反相的,Vg1為高,Vg2為低;上MOS管打開時,下MOS管關閉;下MOS管打開時,上MOS管關閉。由此在L左端形成了一定占空比的方波電壓,電感L和電容C我們可以看作是低通濾波器,因此方波電壓經過濾波后就得到了濾波后的穩(wěn)定電壓Vo。Vo經過R1、R2分壓后送入個放大器(誤差放大器)的負端V+,誤差放大器的輸出Va做為第二個放大器(PWM放大器)的正端,PWM放大器的輸出Vpwm是一個有一定占空比的方波,經過門邏輯電路處理得到兩個反相的方波Vg1、Vg2來控制MOSFET的開關。
誤差放大器的正端Vref是一恒定的電壓,而PWM放大器的負端Vt是一個三角波信號,一旦Va比三角波大時,Vpwm為高;Va比三角波小時,Vpwm為低,因此Va與三角波的關系,決定了方波信號Vpwm的占空比;Va高,占空比就低,Va低,占空比就高。經過處理,Vg1與Vpwm同相,Vg2與Vpwm反相;終L左端的方波電壓Vp與Vg1相同。如下圖
當Vo上升時,V+將上升,Va下降,Vpwm占空比下降,經過們邏輯之后,Vg1的占空比下降,Vg2的占空比上升,Vp占空比下降,這又導致Vo降低,于是Vo的上升將被抑制。反之亦然。
3、對比線性穩(wěn)壓電源和開關電源
懂得了線性穩(wěn)壓電源和開關電源的工作原理之后,我們就可以明白為什么線性穩(wěn)壓電源有較小的噪聲,較快的瞬態(tài)響應,但是效率差;而開關電源噪聲較大,瞬態(tài)響應較慢,但效率高了。
線性穩(wěn)壓電源內部結構簡單,反饋環(huán)路短,因此噪聲小,而且瞬態(tài)響應快(當輸出電壓變化時,補償快)。但是因為輸入和輸出的壓差全部落在了MOSFET上,所以它的效率低。因此,線性穩(wěn)壓一般用在小電流,對電壓精度要求高的應用上。
而開關電源,內部結構復雜,影響輸出電壓噪聲性能的因數很多,且其反饋環(huán)路長,因此其噪聲性能低于線性穩(wěn)壓電源,且瞬態(tài)響應慢。但是根據開關電源的結構,MOSFET處于完全開和完全關兩種狀態(tài),除了驅動MOSFET,和MOSFET自己內阻消耗的能量之外,其他能量被全部用在了輸出(理論上L、C是不耗能量的,盡管實際并非如此,但這些消耗的能量很?。?。
免責聲明:本文為轉載文章,轉載此文目的在于傳遞更多信息,版權歸原作者所有。本文所用視頻、圖片、文字如涉及作品版權問題,請聯(lián)系小編進行處理。
推薦閱讀:
汽車LiDAR GaN的Design Win——高效功率轉換引領市場




